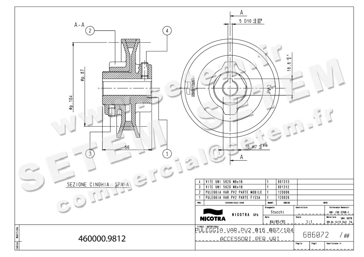
POULIE VARIABLE

Notre sélection de poulie variable allie performance, fiabilité et rendement énergétique.

Conçus pour les professionnels du secteur industriel et tertiaire, nos poulie variable

couvrent un large choix de puissances, vitesses et configurations pour répondre à toutes vos applications.

POULIE VARIABLE